|
千臨技会誌 2002 No.1 通巻85 |
| シリーズ | 細胞レベルの病理学 22. 上衣腫 (ependymoma) |
千葉県こども病院 中
山 茂 千葉大学医学部第一病理学 梅 宮 敏 文 千葉社会保険病院 岸 澤 充 |
| 講 義 | 輸血におけるリスクマネージメント | 順天堂大学浦安病院 検査科 川 島 徹 |
| 研 究 | 安房地域における循環器検診の経年変化について | 安房医師会病院 高橋金雄 田村邦弘 鈴木基郎 |
| 研 究 | 2型糖尿病における動脈硬化症と 危険因子について |
千葉労災病院 検査科 ○藤本昭代 小川 中 二瓶 努 松藤智美 高塚麗子 吹越恭一 千葉労災病院 内 科 三村正裕 |
| 研 究 | 糖尿病療養指導士について | 幸有会記念病院 八角恵美子(検査室) 関 直人(同内科) |
| 資 料 | ISO9001におけるリスクマネージメント −臨床検査室の運用― |
亀田総合病院 臨床検査室 庄司 和行 |
| 資 料 | 平成14年度診療報酬点数改定の要点 | (社)千葉県検査技師会 会長 川島 徹 |
| 施設紹介 | 千臨技 施設訪問 労働福祉事業団千葉労災病院 |
|
|
シリーズ |
|
| 細胞レベルの病理学 22. 上衣腫 (ependymoma) |
![]() |
| 千葉県こども病院 中 山 茂 千葉大学医学部第一病理学 梅 宮 敏 文 千葉社会保険病院 岸 澤 充 |
| 【はじめに】 | |||||||||
| 上衣腫(ependymoma)は上衣細胞の形態と配列の特徴を模倣する細胞からなる神経上皮性腫瘍。全年齢で発生するが、若年者や小児期、特に5歳以下で発生頻度が高い。発生部位は天幕下領域に多く第4脳室、側脳室及び脊髄に好発する頻度が高い。一般に脳室壁に多いが脳室と離れた脳実質内にも発生する。腫瘍と周囲脳組織との境界は明瞭で、割面は灰白色顆粒状を呈し、しばしば嚢胞形成や石灰化を伴いCTスキャンでは著明な増強効果を有する。 小児脳腫瘍において、本腫瘍は髄芽腫、星状膠腫についで多く、10〜12%を占める。小児の腫瘍性病変の中で中枢神経系腫瘍(脳腫瘍、頭蓋内腫瘍)は20%以上を占め、白血病についで多い。 |
|||||||||
| 【組織像】 | |||||||||
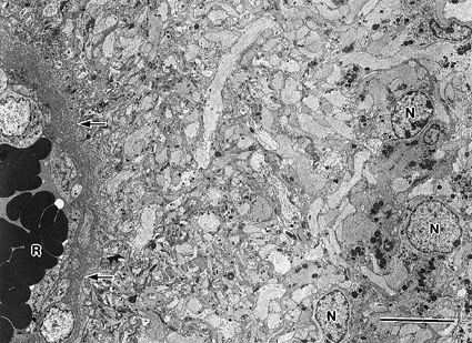
| 本病変は類円形の核と長い線維状の突起を持つ紡錘形細胞からなる。本腫瘍の特徴的な光顕像として、腫瘍細胞は血管周囲に集簇し、長い突起を血管壁に伸ばした血管周囲ロゼット形成(血管周囲は無核帯とも呼ばれている)を見ることができる(写真-1)。また、円形状ないし立方状細胞で形成される小児の脊髄中心管に似た真性ロゼットtrue
rosette(上衣ロゼット ependymal rosette)がみられることもある(写真-2)。 免疫染色では一般的にvimentinとGFAPが陽性を示し、特にGFAP の染色性は血管周囲ロゼットの部分で強い傾向がみられる。また、上衣性ロゼットの管腔面と細胞内にも一部顆粒状にEMAが陽性を示す。 |
|||||||||
| 【電顕的観察】 | |||||||||
| 電顕では、本腫瘍が有するgliaとしての形態と上皮としての分化形態とをともに確認することができるので、きわめて有用な診断手段となっている。 所見的には、腫瘍細胞はgliaの基本性格として10nm径の中間系フィラメント(intermediate filament)を有する。また、上皮への分化形態としては、細胞間結合装置(tight junction)で接合し、微絨毛(microvilli)や線毛(cilia)を有する。 |
|||||||||
|
|||||||||
|
|||||||||
| 【参考文献】 | |||||||||
| 1.堀江弘、他:単純ヘルペスウイルスによるリンパ節炎の1症例、病理と臨床
Vol.6No.7 827-831、文光堂1988 2.倉田 毅:病理組織診断における電子顕微鏡の有用性、病理と臨床 臨増10:473 1992 |
|
|
講 義 |
|
| 輸血におけるリスクマネージメント | ![]() |
| 順天堂大学浦安病院 検査科 川 島 徹 |
| 【はじめに】 |
| 臨床検査のなかでも輸血検査は、検査した製剤を直接患者に投与する細胞移植の一種であり、担当する技師にとっても責任と負担が多い検査である。また、輸血検査室も個々の施設の組織形態により実施する内容も様々であり、各種感染症の検査、血液型、交差適合試験、血小板抗体をはじめ各種抗体検査、血液製剤の放射線照射、自己血貯血の介助・保管・管理、日赤血液製剤の発注・保管・管理など、採血を含めた検査から事務処理まで多岐にわたっている。今回は、輸血におけるリスクマネージメントについてどのような問題があるか、どのような対策をすべきであるかについて述べる。 |
| 【リスクマネージメント】 |
リスクマネージメントは、表1に示すように危機管理、危険管理、経営上に起こる様々な危険を、最小の費用で最小限に抑えようとする方法の3通りの意味があります。特にリスクマネージメントを事故が起こった後の対処法と勘違いしている人がいますが本来は、事故が起こらないように管理するのがリスクマネージメントの目的であります。 |
| 【輸血療法】 |
輸血のリスクを考えるときには、輸血療法と言うものを考える事が必要です。輸血療法には、自己輸血と同種血輸血がありますがここでは,日本赤十字社より供給される同種血製剤について考えてみたいと思います。血液製剤を用いた療法は、血液成分の欠乏或いは,機能不全による臨床的異常を軽減するための補充療法であります。危険リスクとしては、1.ウイルスをはじめとする感染症の伝播(HIV、HCV、マラリア、エルシニア菌など)、2.免疫学的な副作用(GVHD、蕁麻疹、アナフラキシー、発熱、不適合輸血による溶血など)、3.血液製剤や添加成分による(低カルシュム血漿、テタニーなど)副作用があります。(表.2参照) |
| 【輸血のリスク】 |
輸血による被害の新聞報道は、表3に示すごとく最近では,新聞紙面に良く見られる。特に、血漿分画製剤によるAIDS訴訟など国民の関心がもたれ輸血製剤の安全性が要求されているが、最近報道されたフィブリン製剤によるHCV感染症の問題など当時は,非A・非B肝炎ウイルスと呼ばれていたが特定されていないウイルスに関しても安全対策が現在問われている。BSEなどヤコブ病におけるプリオンの問題も当初は、血液は問題ないといわれながらも現在は、危険性が問われている。TA-GVHD(輸血関連移植片対宿主病)は、近親者やホモ接合のHLAリンパ球の体内での増殖により輸血後2週間目くらいに発症する病気であり、一度発症すると多臓器不全を引き起こし治療の効果なく死亡する病気である。輸血検査の検査技師による24時間体制の普及により減少してきたが、ABOやRhの血液型違え輸血による事故や検査ミスによる事故報告は、マニュアルを作成してあっても起こっていることが多い。マニュアルがあってもどこかでマニュアル違反が起こっているのが現状である。 |
| 【副作用の種類】 |
本文のはじめに述べたが、輸血に関しては自己血製剤使用が最善ではあるが、時間の問題や緊急時には対応できずに同種血を用いるために起こる副作用が多い。表4に示すように大きく分けて1.生の血液による感染症の副作用、2.他人の血液による免疫反応副作用、3.人の関与による過誤による副作用に分類できる。同種血製剤を供給している日本赤十字社では、表5.に示すように9種類の感染症に関してスクリーニング検査を実施している。また、NAT(核酸増幅検査)の導入によりHIVウイルスのウインドウ期の感染を防止する処置も実施されより早期に感染を捕まえられるようになり安全性の向上に注意が払われている(表6.参照)。また、輸血後GVHD防止のためには、血液製剤の放射線照射が有効な手段であり、日赤をはじめ病院施設でも、実施されている。放射線は、有核細胞に対して破壊力があり特に癌細胞やリンパ球に効果があり、逆に成熟した赤血球は、核が無いため影響が少ないとされている原理を応用した処理法です。(表7.参照)白血球除去フィルターによる方法は、完全ではないとされています。 |
| 【輸血製剤の使用指針】 |
輸血製剤が検査室より出庫されたら、検査室の手を離れたと考えるのは、輸血を考える上で非常に危険な考えであり、検査技師は,輸血療法全般に関する知識を持ち臨床現場に臨まなくては、真のリスクマネージメントは達成できないと考えます。患者確認システムに関しては、ハード面の整備により客観的な認識ができますが、チーム医療においては専門家としての輸血に関する幅広い知識が必要となります。表8.から表10まで輸血製剤投与前・投与中・投与後までの使用指針を示しましたが治療を受ける患者・医師・看護師と共に最善の治療ができるよう医療チームの一員として情報交換ならびに連携が取れることが重要です。 |
| 【まとめ】 |
輸血におけるリスクマネージメントをまとめると1.輸血療法委員会などを利用し患者中心に医師・看護師・検査技師がチームを組共有の情報を持ち最善の処置ができること。2.患者の血液採取から輸血製剤投与患者確認までのシステム化や輸血製剤管理事務などにITのツールを取りこみ、患者・血液製剤データの保管管理を迅速かつ客観的に実践すること。 3.適正輸血の責任体制や輸血製剤の安全性に関する施設内での教育や情報収集に多くの関心を持ち前向きに取り組むことであると考えます。(表11、12参照) 1995年の輸血製剤におけるPL法適用から数々のマニュアル・使用基準・インフォームドコンセント・輸血製剤の使用記録の10年間保存など対策が現在まで実施されています。事故を起こした場合の対処を考えるのではなく起こさないための安全対策を実践することが輸血におけるリスクマネージメントでは,重要と考えます。 |
|
|
研 究 |
|
| 安房地域における循環器検診の経年変化について |
| 安房医師会病院 高橋金雄 田村邦弘 鈴木基郎 |
| 【はじめに】 | ||||||||||||||||||||||||||||||||||||||||||||||||||||||||||||
| 安房医師会病院は、安房郡市11市町村が実施する住民検診に検診機関として協力している。地域住民の疾病の早期発見・早期治療及び健康管理を目的に昭和43年から安房郡市全域の40歳以上の住民を対象に胃部集団検診、昭和53年からは、胸部検診、循環器検診を加えて「総合検診」として統一し、継続事業として現在に至っている。 | ||||||||||||||||||||||||||||||||||||||||||||||||||||||||||||
| 【目的及び対象】 | ||||||||||||||||||||||||||||||||||||||||||||||||||||||||||||
| 安房地域は、房総半島の南端に位置し、海、山に囲まれた地形をしており、人口動態は比較的安定しているので検診結果の経年変化を把握し易い状況にある。 今回、その中の循環器検診のデータについて経年変化を地域特性別、男女別、年齢別に分析し、今後の事業計画の資料とするのを目的とした。循環器検診項目として身体計測、血圧、脈拍、尿検査、尿素窒素、クレアチニン、尿酸、コレステロール、中性脂肪、HDLコレステロール、LDLコレステロール、GOT、GPT、GGT、貧血、心電図、眼底検査を行なっている。 今回は血圧、総コレステロールを中心に調査した。対象地域は、図1に示すように人口集中地域(館山市・以下都市部)、農業従事者が比較的多い地域(三芳村、丸山町・以下農村部)、漁業従事者が比較的多い地域(白浜町、天津小湊町・以下漁村部)を対象とした。
対象者は平成元年11,628人、平成5年12,694人、平成10年11,663人である。3地域に分類し、それぞれ40〜49歳(以下40歳代)、50〜59歳(以下50歳代)、60〜69歳(以下60歳代)、70歳以上の4分類し、さらに男女別に分析した。検診対象者は原則として職域検診、不在者、入院加療中などを除いた40歳以上の住民である。受診率も合わせて表1に示す。 さらに、10年以上連続検診受診者の判定結果の推移も調査した。
|
||||||||||||||||||||||||||||||||||||||||||||||||||||||||||||
| 【方法】 | ||||||||||||||||||||||||||||||||||||||||||||||||||||||||||||
総コレステロールの判定は表3の如く分類した。 |
||||||||||||||||||||||||||||||||||||||||||||||||||||||||||||
| 【結果】 | ||||||||||||||||||||||||||||||||||||||||||||||||||||||||||||
|
||||||||||||||||||||||||||||||||||||||||||||||||||||||||||||
| 【連続受診者の推移】 | ||||||||||||||||||||||||||||||||||||||||||||||||||||||||||||
平成元年431人、平成5年511名、平成10年408人の標記循環器部門検査項目を総括した判定検査結果を示す。 異常なし、及び新たに要治療者が減少傾向で、要継続治療者が増加している。 要観察者及び要精検者の年度変化は見られない。 検診を頻回受診することによって医療機関に管理され医療提供を受けるきっかけになっていると推測される。 |
||||||||||||||||||||||||||||||||||||||||||||||||||||||||||||
| 【まとめ】 | ||||||||||||||||||||||||||||||||||||||||||||||||||||||||||||
| 1.受診率は都市部を除き50%以上の受診率であった。 2.血圧2点以上の出現率について 1)加齢とともに増加し、男性は70歳以上を除き女性より高率である。 2)50歳代は40歳代に比較すると男性1.6倍、女性2.5倍である。 3)男女とも70歳代がもっとも高率になる。 3.総コレステロール250r/dl以上の出現率について 1)50歳〜60歳代に高率で70歳代以上になると減少傾向にある。 2)50歳以上の都市部男性は他地域より高率である。 3)50歳以上になると女性は急増し、男性より高率であった。 4.10年連続受診者の判定結果は異常なし、要治療者は減少し、要継続治療者が増加、要観察、要精検はほぼ横ばいである。 |
||||||||||||||||||||||||||||||||||||||||||||||||||||||||||||
| 【考察】 | ||||||||||||||||||||||||||||||||||||||||||||||||||||||||||||
| 今回、循環器検診10年の変化について血圧と総コレステロールからアプローチしてみたが、性差・年齢差による変化は生理的変化と思われる。又、私どもは過去に数回に亘り、住民検診関連学会で、地域特性別に調査し報告したが、近年、食料の長期保存、道路網の整備と自家用車の普及、大型スーパー等の進出により、食生活、住生活に差異を認めなくなって来ている。 この事業を開始してから20年以上経過し、検診を受診する事が医療受診のきっかけになり、健康増進効果があったと推測される。 |
||||||||||||||||||||||||||||||||||||||||||||||||||||||||||||
|
|
研 究 |
|
| 2型糖尿病における動脈硬化症と 危険因子について |
![]() |
| 千葉労災病院 検査科 ○藤本昭代 小川 中 二瓶 努 松藤智美 高塚麗子 吹越恭一 千葉労災病院 内 科 三村正裕 |
| Key words 糖尿病、脈波伝播速度(PWV)、内臓脂肪型肥満、腹膜前脂肪最大値(Pmax)、動脈硬化 |
| 【はじめに】 | ||||
| 糖尿病患者において動脈硬化性疾患は近年増加傾向にありその進行を知ることは患者の生活の質のみならず生命をも左右する重要なポイントとなる。動脈硬化の評価には大動脈伝播速度の有用性が知られているが、手技の煩雑さや技師間差の大きさから広く普及されてはいなかった。今回上腕‐足首動脈間脈波伝播速度(brachial ankle Pulse Wave Velocity:baPWV)が簡便に測定できる装置が開発され、当検査科でもそれが使用されるようになったため、動脈硬化とその危険因子及び糖尿病合併症との関係、そしてまた、動脈硬化性疾患の予測因子としての有用性について検討した。 | ||||
【対象および方法】 |
||||
| 50歳〜80歳までの2型糖尿病患者85人(男性45人、女性40人)に対してbaPWVを日本コーリン社製フォルムPWV/ABIを用いて測定した。閉塞性動脈硬化症が存在する場合baPWVは低値を示し、また動脈中膜石灰化がある場合、足首-上腕血圧比(Ankle
Brachial Index:ABI)は高くなるため、このABIの値が0.9から1.3の正常範囲のものを対象とした。 危険因子としては高血圧・高脂血症・肥満・喫煙を対象とし、糖尿病合併症は網膜症・腎症を、動脈硬化性疾患は脳血管障害・虚血性心疾患をそれぞれ対象とした。 肥満は腹壁脂肪指数(Abdominal wall Fat Index:AFI)・腹膜前脂肪最大値(Preperitoneal fat:P max)・体格指数(Body Mass Index:BMI)の3項目を指標とした。 高血圧は収縮期血圧140mmHgまたは拡張期血圧90mmHg以上(日本高血圧学会診断基準)と降圧剤服用者とした。高脂血症は総コレステロール220mg/dl以上、中性脂肪150mg/dl以上、LDL140mg/dl以上(日本動脈硬化学会診断基準)のいずれかを認めるか、抗高脂血症剤を服用している者とした。BMIは25以上を肥満とした(日本肥満学会診断基準)。喫煙は過去および現在において喫煙歴のある者とした。
被験者は安静仰臥位で上腕および下肢にカフを巻き、カフ内のセンサーにより脈波を検出する。baPWVはL(距離)/PTT(脈波伝播時間)で求められる。脈波伝播時間は上腕と下肢の脈波の立ち上がり点の時間差から、また距離は予め入力した身長から換算式にて求められる(図1)。baPWVは加齢と共に速くなることはよく知られており、baPWVを評価する際は年齢を考慮する必要がある。図2にbaPWVの実測値を示す。各年齢の平均的なbaPWVを結んだ線を下段に、それに200cm/s(+1SD)を加えた値を上段の線で表した。この線より上をbaPWV高値とした。(この回帰直線の式は山科等1)の報告を元に日本コーリン社が作製した。) 2)AFIの測定およびP max(図3) 腹部超音波検査において7.5MHzのアニュラ型プローブ(SSA-250A:東芝)を用いて腹部正中部で縦操作、深呼気をさせ肝表面が皮膚表面と平行となるところで計測する。肝表面と腹壁の中間にあるのが白線である。白線より上が皮下脂肪(subcutaneous fat)でありSで表す。白線から肝表面までが腹膜前脂肪でPと表す。このPの最大値PmaxとSの最小値Sminの比(Pmax/Smin)をAFIとする。この値は男性では1.0 女性では0.7以上が内臓脂肪型肥満に対応すると考えられる2) また、Pmax8mmがCT法における内臓脂肪型肥満の診断基準である内臓脂肪面積の100p2に相当する(日本肥満学会診断基準)との考えか、Pmax8mm以上を肥満ありとした3) |
||||
【結果】 |
||||
| 各危険因子の有無によりbaPWVの高値率に差があるか検討した。baPWV高値とは両下肢の内1肢だけでも高くでたものを高値とし、52名(61%)の患者が高値を示した。 1.危険因子の有無とbaPWV(図4)(図5) 喫煙に関しては女性の喫煙者が非常に少ないため男性のみでの比較である。baPWVの高値率は高血圧(―)群で35%に比べ、高血圧(+)群が85%と有意に高くなった(P<0.01)。喫煙では(+)群でbaPWVが高値になる傾向にあったが、高脂血症では差は得られなかった。 baPWV高値率はPmax8mm未満で40%に比べ、Pmax8mm以上では69%と有意に高くなった(P<0.05)。 AFI高値群では正常群よりbaPWVが高値になる傾向を示したが、BMIでは差は得られなかった。 2.糖尿病合併症とbaPWV(図6) 網膜症(―)群の42%に比べ、網膜症(+)群では78%とbaPWVの高値率が有意に高くなった(P<0.05)。腎症では差はなかった。 3.baPWVと動脈硬化性疾患の発症率(図7) baPWVの正常群と高値群間での動脈硬化性疾患の発症率を見たものである。脳血管障害とは有症状で、CTあるいはMRIで確認できた症例。虚血性心疾患とは無、あるいは有症状で、心筋RI検査あるいは冠動脈造影にて確認できた症例とした。脳血管障害・虚血性心疾患ともbaPWVの高値群で発症する傾向にあった。動脈硬化性疾患は上記の2つの疾患を合算したもので、baPWV正常群の12%に比べ、baPWV高値群では32%と動脈硬化性疾患の発症が有意に高くなった(P<0.05)。
|
||||
【考察】 |
||||
| 今回baPWV高値率と肥満の指標としてのBMIとの有意差は確認できなかった。BMIは体格指数といわれ身長と体重の2つの要素から成るもので、体内の水分量、筋肉量、骨量等も関与し、脂肪量のみの比較にはならない。一方Pmax8mm以上でbaPWV高値率が有意に高く、AFI高値群で高い傾向を示した。脂肪は絶対量よりも体内での蓄積する場所の違いが動脈硬化には影響が大きい事が明らかとなってきた。内臓脂肪型肥満が皮下脂肪型肥満よりも、血糖・血圧・血中脂質を増加させ動脈硬化をおこしやすいといわれている4)。また最近では脂肪細胞から分泌されるアディポサイトカインが直接動脈硬化症をひきおこす可能性も示唆されている5)。今回おおがかりなCTを使用せずに内臓脂肪型肥満を判定するために腹部超音波にて腹膜前脂肪の厚みを測った。田所らはPmax8mmがCT法の内臓脂肪面積100p2に相当する3)と報告しており、我々もこの基準を参考にした。また田所らはPmaxが冠動脈硬化症と相関することからPmaxが動脈硬化症の危険因子であることも報告している4)。 高血圧は圧負荷、ずり応力といった物理機械的刺激により血管平滑筋の分化などにより動脈硬化をひきおこすことが知られている。今回の検討でも高血圧は従来の報告同様baPWV高値の危険因子であった6)7)。高脂血症も動脈硬化に大いに関係ありと思われているが、baPWVは今回の検討では有意差を認めなかった。総コレステロール値はbaPWVと相関しないという報告もあり6)8)高脂血症は高血圧ほどbaPWVに影響しない可能性も考えられた。しかし動脈硬化には上記の脂質が一様に影響しているのではなく、特にLDL、その中でも更に小型化、低比重化したLDLは体内で酸化され易く、血管内でマクロファージに取り込まれ血管壁に付着し、動脈硬化を引き起こすと考えられている。そしてこれは内臓脂肪型肥満で増加することが知られている9)。 従って脂質はひとまとめにするのではなく、それぞれについて検討する必要があると思われた。 糖尿病患者ではbaPWVが高値を示すことが知られている7)。今回の検討でも糖尿病患者の61%がbaPWV高値を示した。糖尿病のコントロール状態と罹病期間はbaPWVと相関することが報告されている6)8)。また網膜症は血糖のコントロールが悪い期間が長い程、発症し易いと言われている10)。今回の検討でも網膜症はbaPWV高値の危険因子であった。このため糖尿病もbaPWVの重要な危険因子であると思われた。腎症も同様にbaPWV高値の危険因子と考えられるが今回の検討では有意差はなかった。検討した人数が少なかったことによる可能性もあり、今後症例を増やし再検討する必要があると思われた。また喫煙もbaPWVの危険因子であると報告されている8)が、今回の検討では喫煙者でbaPWV高値率が高い傾向を示したが有意差はなかった。 最後に脳血管障害や虚血性心疾患は最も重篤な場合、その生命維持をも危うくするものである。事前にそれを予測し得るかどうかは大変重要である。動脈硬化スクリーニングおよび心血管疾患予後指標としてbaPWVの有用性が報告されている1)が、今回の検討でもbaPWVの高値群において有意差をもって32%に何れかの動脈硬化性疾患が発症していることを考えると充分予測因子として成立すると思われた。
|
||||
【結語】 |
||||
| 高血圧・内臓脂肪型肥満・糖尿病性網膜症(長期間の血糖コントロール不良状態の指標として)がbaPWVの高値の危険因子であった。またbaPWVは脳・心臓血管障害の予測因子となりうると思われた。 | ||||
【文献】 |
||||
| 1) 山科章ほか:公益信託日本動脈硬化予防研究基金 平成12年度研究報告書2000,5,12 2) Suzuki ,R.et al.:Abdominal wall fat index,estimated by ultrasonography ,for assessment of the ratio of visceral fat to subcutaneous fatin the abdomen AM J Med 95:309-314,1993. 3) 田所直子ほか:日本肥満学会会誌 (印刷中) 4) Tadokoro,N.et al.:Preperitoneal fat thickness determined by ultrasonography is correlated with coronary stenosis and lipid disorders in non-obese male subjects. International Journal of Obesity .24:502-507,2000. 5) Shimonura,I.et al.:Enhanced expression of PAI-1 in visceral fat :Possible conkributor to vascular disease in obesity.Nature Med.2:800-803,1996. 6) Okada,S.et al.:Significance of metabolic and blood pressure factors in relation to microangiopathy and macroangiopathy in patients with non-Insulin-dependent diabetes mellitus.J Int Med Res.24:99-108,1996 7) Taniwaki,H.et al.:Association of ACE gene polymorphism with arterial stiffness in patients with type 2 diabetes.Diabetes Care .22:1858-1864,1999. 8) Taniwaki,H.et al.:Correlation between the intima-media thickness of the carotidartery and aortic pulse-wave velocity in patients with type 2 diabetes.Vessel wall properties in type 2 diabetes.Diabetes Care.22:1851-1857,1999. 9) Despres JP:Health consequences of viscersl obesity.Ann Med.33:534-541 2001. 10) The Diabetes Control and Complications Trial Research Group:The effect of intensive treatment of diabetes on the development and progression of longterm complications in insulin-dependent diabetes mellitus. N Engl J Med 329:977-986,1993. |
|
|
研 究 |
|
| 糖尿病療養指導士について | ![]() |
| 幸有会記念病院 八角恵美子(検査室) 関 直人(同内科) |
| はじめに | |||||||
| 糖尿病療養指導士を目指した動機から説明します。私は、20年近くいろいろな病院で働き公私共に余裕ができた時でした。放送大学に、平成11年4月より専修学校専門課程の単位が既修得単位の認定となり、第3学年編入が認められることを知り、平成11年4月より教養学部生活科学コース教育と発達を専攻した。主に心理学を学び職場の中で何か役に立たないかと考えていたところ、糖尿病療養指導士という資格が平成13年度から認められ、臨床検査技師も指導的カウンセリングできるようになった。糖尿病治療は、患者自身が自己管理できるように、指導的カウンセリングすることが望まれる。指導内容は、大別して「継続治療の動機づけ」と「治療の技術指導」に分かれる。技術指導が多種類になるとともに、指導方法の選択、心理的アプローチ、指導の評価など教育学、心理学的手法が導入され指導内容の範囲が著しく広い。大学の勉強が糖尿病患者指導に、役立ち自分のやりたいことが見つかった。 平成13年6月糖尿病療養指導士を修得し、臨床検査技師として糖尿病患者の療養指導を開始した。表1は、日本糖尿病療養指導士認定機構 1)の療養指導士の資格と業務の内容で、わが国の医療法に則って、必ず医師の指示を受け、糖尿病療養指導業務を行う。 療養指導の目的は、合併症予防のため自己管理としての食事・運動・薬物療法を行い、糖尿病コントロールを指導することである。(図1) 当院の糖尿病専門外来受診者98名(男性60名 女性38名 平均年齢65.6歳)の内、糖尿病療養指導士として取り組み経験した一症例を報告する。
【家族構成】妻と子供2人の4人家族 【家族歴】なし 【既往歴】十二指腸潰瘍 【病歴】平成12年7月十二指腸潰瘍で来院検査の結果、糖尿病を指摘され糖尿病 専門外来受診し、栄養指導(1800kcal)と経口血糖降下薬(ベイスン3T)にて治療するがHbA1cが8%台とコントロール不良、11月より治療中断となる。 平成13年5月十二指腸潰瘍再発のため来院し、HbA1c10.2%と糖尿病も増悪を認めたため通院治療後、7月糖尿病教育入院となる。 【検査所見】入院時(7月)抗GAD抗体陰性、高血糖、高脂血症を認めた。退院後(12月)には血糖値とHbA1cが低下し高脂血症が改善された。(表2)合併症は糖尿病性網膜症と神経障害(足のしびれ)を認めた。 |
|||||||
| 方法・経過 | |||||||
| 7月13日から30日まで糖尿病教育入院する。経口血糖降下薬(ベイスン3T・パミルコン2.5
1T)にてコントロール不良のためインスリン療法に変更する。前増殖性網膜症を認めたためペンフィルR朝・昼・夕4単位ずつから開始した。指導としてビデオや資料により糖尿病の理解と合併症について説明し、血糖自己測定指導、管理栄養士による栄養指導、インストラクターによるインスリン自己注射指導などチームアプローチを行た。 この症例の指導ポイントは糖尿病の正しい知識を得る事によりインスリン自己注射の必要性を理解し不安や恐怖を取り除き、インスリン自己注射の中断がないように説明し家族にも協力を求めた。退院後は、糖尿病外来受診時にSMBGノートを見ながら食事と血糖値の関係を説明、神経障害があるので糖尿病性足病変予防のためのフットケアを指導、生活全般の相談に載る。 |
|||||||
| 結果 | |||||||
今までは、臨床検査技師の役割として自己血糖測定指導以外行っていなかった。今回初めて行った療養指導は、教育入院時のチームアプローチから外来受診時の個別指導により入院時のHbA1c10.7%が退院後8月9.1%、9月8.7%、10月〜12月7%台と低下しインスリン治療と療養指導により血糖コントロールの改善がみられた。(表3)糖尿病性網膜症は眼科受診にて経過観察中である。
|
|||||||
| 考察 | |||||||
今回経験した一症例よりこれからの療養指導ポイントをまとめた。 1.医師を中心とした専門分野の医療従事者で構成される療養指導チームによるアプローチを行う。 2.糖尿病の正しい知識により、患者の不安や恐怖を取り除く。 3.患者の考えを尊重し、自律性を育てる自己管理の指導を行う。 4.患者の生活背景を考慮し、負担にならないような指導する。 5.家族の協力を得る為、糖尿病の理解と援助の仕方を家族に指導する。 6.検査結果を参考に、以下の自己管理を具体的に指導する。 @カロリー計算(食品の計量) A体重測定(体脂肪量) B血圧測定(血圧手帳) C自己血糖測定(SMBGノート) Dインスリン自己注射 今後、大血管症の精査のため早期動脈硬化の指標として血圧脈波検査装置(日本コーリン社フォルム)による血管脈波速度(PWV)、上腕下腿血圧比(ABI)測定を取り組んで行きたい。 |
|||||||
| まとめ | |||||||
| まず療養指導士として患者さんに信頼され受け入れてもらう事が第一歩と考えます。また指導士として資格や知識は大切ではあるが、仕事の中で一番大切なことは指導士の態度である。それは患者さんと自分を同じ能力や感情を持つ人間として尊重することで、自己管理の指導ができると考えます。これから医師を中心とした医療チームの一員として患者さんのため診療支援を行いたい。 引用文献 1)日本糖尿病療養指導士認定機構細則第1章 日本糖尿病療養指導認定機構 2)血糖コントロール状態の指標と評価 日本糖尿病学会管理基準 |
|||||||
| 参考文献 | |||||||
| 1.北村清吉:やっと開かれた専門学校卒業者の大学編入学への道 メディカル・テクノロジー Vol.26
No.11 1174-1175 (1998・10) 医歯薬出版株式会社 2.北村清吉:技師教育と制度 メディカル・テクノロジー Vol.26 No.11 1174-1175 (1998・12) 医歯薬出版株式会社 3.日本糖尿病療養指導士 受験ガイドブック 2000 メディカルレビュー社 4.水野恵一 他:カウンセリング 1998 放送大学教材 大蔵省印刷局 |
|||||||
|
|
資 料 |
|
![]() |
ISO9001におけるリスクマネージメント −臨床検査室の運用― |
| 亀田総合病院 臨床検査室 庄 司 和 行 |
| Key words 不適合・インシデント環境レベル・リスクマネージメント規定 |
| 【はじめに】 | ![]() |
|||||||
| 臨床検査に於いては、精度管理の名目でリスクマネージメントは既に実施していたと認識している。但し、方法論やどのようにフォローするかは、施設それぞれであった。これを、組織的に系統だてて構築し、病院全体としての検査室における運用について再構築する必要性が出てきた。そこでISO9001の不適合からの運用について照会し、参考にしていただければと思い文書化した。 | ||||||||
| 【不適合の管理】 | ||||||||
| ISO9001による要求事項「別表No1」で8.3〜8.5を原則として用いた。 1.不適合の種別定義: 1)搬入時及び受け入れ時の不適合品:購買管理規定における、試薬消耗品の検品・医用機器不備点検・外部委託検査の精度管理不備確認が該当する。 2)工程における規定・手順書の不遵守:検査管理規定・検体管理規定から下る手順書の不遵守の予防が該当する。 3)特殊工程(医療行為)のミス(職員と患者):リスクマネージメント規定によるシステム改善。 2.不適合以外の定義 1)不適切:再検査依頼や患者・家族からの苦情等 2)不具合:使用機材・不可抗力等 |
||||||||
| 【手順】 | ||||||||
| 1.文書化:一次文書:品質マニュアル・二次文書:規定・三次文書:手順書・四次文書:記録に分け文書化し運用において遵守させる。 2.運用: 1)PRAN:方針や目標を立て役割分担や達成方法を決める。 2)DO:計画に基づいた行動や進捗管理 3)CHECK:目標と実績の比較 4)ACTION:目標未達成に対する処置 |
||||||||
| 【医療事故における用語の整理】 | ||||||||
| 医療事故はアクシデントと呼ばれ事故として処理される。原因としては、不可抗力や医薬品・輸血からの副作用とエラーによる医療事故とに分かれる。 1.医療事故になる可能性のあったものは、インシデントと呼ばれニヤミスとして処理される。事例としては、幸運にも起こらなかった場合と、発生したが発見修正された事例とに分かれる。 2.医療事故をアクシデント・医療事故になる可能性のあったものをインシデントと分けているが、米国の医療機関では事故・非事故含め全体でインシデントとして表現し対応しており、当院でもこれを採用している。 |
||||||||
| 【特殊工程のミス】 | ||||||||
1)検体からの感染:HIV・HCV・結核等 2)劇毒物:経口・経皮での汚染 3)針刺し事故:業務中・廃棄物処理等 *針刺し事故報告書「別表No2.」 2.患者: 1)リスクマネージメント規定:(不適当・不具合も含む) @目的 A適用範囲 B用語の意味 C報告者の保護と責任 Dインシデント環境レベルの基準 Eリスク管理委員会レビュー F報告書の手順 G是正・予防処置 *インシデント報告書の提出者に「責任性は問わない」を明記してある。 |
||||||||
| 【実施方法】 | ||||||||
| 1.インシデント環境レベルの基準に於ける検査室運用「別表No3.」 1)レベル0以下:ミスはあったが同僚・上司が見つけ、臨床への報告は無かった。 @上司に口答報告・業務日誌記入。処罰・責任性は問わない *ダブル・トリプルチェックは業務の内 2)レベル0:臨床への報告後ミスが見つかる @業務報告書は検査室内だけでとどまりインシデント報告書はリスク管理委員会に提出の2種類あり、検査室のリスクマネージャーに判断はゆだねられ ている。 A判断基準は、患者実施はされなかったが、対応処置が遅延した等がインシデントの報告としている。 B業務報告書は、実施当事者が記入するが、インシデント報告書はミスの発生原因を客観的内容として明記が必要な為、当事者から上司が聞き記録 する。 C処罰はないが、人事考課に影響する 3)レベルハイリスク以上: @インシデント報告書(別表No4.) A必要な場合、事故報告書 B責任性と人事考課に影響 2.リスクレビュー:リスク管理委員会が、提出されたインシデント報告書について月一回開催し、改善・防止対策の実施と確認を行う |
|
|||||||
| 【不適合事例】 | ||||||||
| 1.不適合:インシデント報告書相当事例 1)Rh−の血液をRh+の患者に輸血払い出し 2)照射血液依頼を未照射血液渡す 3)クレアチニンクリアランス単位口答報告間違い 4)凍結血漿溶解後袋からの微量漏れ未確認渡す。 5)固定液アルコールでなく蒸留水が入っていた。 6)血液型電子カルテマニュアル入力間違い。 2.不適合:業務報告書事例(別表No5.) 3.不適切・不具合:事例により業務報告にならないものからインシデント報告の必要になるものまである。 1)脳波測定結果に対し、医師よりこの波形が出たら15分以上測定継続指示により、再検査実施。 2)検体検査結果報告後、医師より患者状態と異なるので、再検査依頼。 3)肺機能検査結果、医師よりもう少し励まし努力させた結果を期待、再検査指示。 4)受付で、患者様より尿が出ないとの申し出がある。検査が出来ないので少し時間をおいてからでも、採尿するよう依頼。声が大きく他の患者様に聞こ えて恥ずかしい・小声で言うべき苦情。 5)生理検査受付にて、患者より支払い明細書について質問。会計にて聞くよう答える。知っているところまで説明しても良いのでは? 6)ホルター心電図患者に取り付けたが、動きによって測定不能になり再検査実施。 7)成分採血器、一定量一定時間の回転が時にずれる 8)水漏れにより検査機器稼働不良、検査測定翌日遅延報告。 |
||||||||
| 【是正・予防処置要求・報告書】(別紙No6.) | ||||||||
| 【教育と訓練】 | ||||||||
| 組織もシステムも行うのは人間である。特に接遇接患でのトラブルからインシデントの発生も多々ある。よって教育と訓練、そして人事考課は必要不可欠であるといえるがここでは人事考課については割愛する。 | ||||||||
| 【考察】 | ||||||||
| インシデント報告書を提出した人は、ほめられこそすれ責任性を問うべきではないと、多くのリスクマネージャーは言っている。なぜならば、インシデントは組織の責任性であり改善目的だからである。又責任性を問うと、報告書が出にくくなる理由からだと言っている。しかし、インシデントが発生するという事は、患者様側からすれば、痛い思い・苦しい思い、あるいは死の危険に曝される事態や、最悪死に到ったりする場合があるとすれば、如何とも納得しがたい思いになるのが至極当然ではないだろうか。たしかに再発予防の大義名分はあっても、私は組織内における責任性を説いて当然であり、それと同時に報告書が出にくくなる理由に於いては、組織の患者に対する責任体制の欠如ではないだろうかと考える。 インシデント報告書の扱いは、医療過誤の裁判になっても、提出する必要の無い書類であると、弁護士は、言っているが本来の目的を考えれば、フォローアップが終了した時点で、廃棄するべきと言いたい。それにより医療過誤の裁判の書類にもならないし、提出当事者の責任性も引きずらず、業務改善に最も適した行い方ではないだろうか。 |
||||||||
| 【終わりに】 | ||||||||
| 以上当検査室として行っている、リスクマネージメントの実践を紹介させていただき、参照していただければ幸いです。 | ||||||||
|
|
資 料 |
|
| 平成14年度診療報酬点数改定の要点 |
| (社)千葉県検査技師会 会長 川島 徹 |
|
||||||||
|
|
施設紹介 |
|
|
千臨技 施設訪問 労働福祉事業団千葉労災病院 |
| 【2002年・施設訪問】 |
|
|||
| まだ寒い日が続く中、2月14日セントバレンタインデーの日に淡い期待を持ちつつ辰巳台の中腹に位置する千葉労災病院に行ってきました。千葉労災病院は現在39ある労災病院のうち、第32番目の病院として昭和42年の2月に誕生しました。 現在、病床数は400床、外来患者数は1300人、平均入院患者375人、病床利用率93.9%、平均在院日数22.6日、紹介率20%前後で診療を行っています。また将来的には急性期病院を目指しています。 |
||||
| 【広い廊下・広いフロア】 | ||||
| 病院の目の前にはバスの停留所と広々とした駐車場があり、患者さんにとって行きやすい病院という印象を受けました。 開放的なエントランスホールを抜け、エレベーターで2階にあがった所に検査室があります。検体検査部門はワンフロアで、生理はそれぞれの検査によって別の部屋になっています。 使用している機器は以下のようになっています。 生化学・免疫は日立7600・7170、スフィアライト180(甲状腺・腫瘍マーカー)、UNICAP100(アレルギー)、HA8121、CTE1200、IMX、血液はGENES・STKS、MICRO21、SM-PLUS、CA7000、一般はクリニテックアトラス・クリニテック200+、輸血はセロセント24・himacMC402、血液製剤管理用システムWindful、血液製剤照射装置 日立MBR-1520A-2、細菌はセプターシステム、Walk Away(4月から導入)、生理はフクダ電子(心電図)、ホルター解析装置、チェスト チェスタック55V(肺機能)、日本光電(脳波)、M850(血液ガス)、GE・ロジック(心エコー)、東芝メディカル・アロカ(腹部エコー) |
||||
| 【どこも厳しい雇用状況】 | ||||
| スタッフは検査技師22名・受付事務1名の計23名で構成されています。また平成10年を最後に行政改革の一端として定員削減のあおりを受け、定年退職者の補充・欠員補充など技師の採用はないそうです。主任は6人で、技師長昇格は平成8年より移動を伴うものとされ、全国が転勤の対象となります。この様な厳しい状況のなか増加する検体に対応するため、ピーク時に合わせ人員の必要な部署に他の部署の人がバックアップをするといった検査室のフラット化を行っています。 また、これからオーダーリングシステムの導入にあたり採血業務に人員が必要になってきます。 |
|
|||
| 【検査科・チーム医療への参加】 | ||||
| この様な忙しいルーチンワークのなか、労災病院の技師の方々は積極的に研修会にも参加し、数多くの認定技師の々がいます。認定輸血検査技師2名、細胞検査士3名、超音波検査士(心エコー)4名、超音波検査士(腹部エコー)5名、糖尿病療養指導士4名糖尿病療養指導士の免許を持ってる方は生化学の担当者だけではなく血液など他の部門の技師もライセンスを取得しています。 このライセンスを取得している技師が糖尿病教室(入院指導・外来指導)、個人指導などで直接患者さんに指導しています。 通常は技師のみで患者さんに直接指導するのは違法となりますが、労災病院では医師などとチームを組み、そのチームの一員として患者さんと対話をしたり血糖自己測定機のメンテナンスを行うなど、検査室にしか出せないカラーを出しチーム医療の一員として病院の診療に参加しています。 |
||||
| 【トンネルの先】 | ||||
| 今回この施設訪問で話しを伺った吹越技師長の話の中に暗い話題しか出てこない検査技師業界の中で長いトンネルを抜け出す方法を見た気がします。どの様に生き残りを掛けていくか?どうしたら社会的に必要とされる検査技師をアピールできるのか?それは検査技師一人一人が危機感を持ち、個々の能力を上げその能力を生かし病院・患者・社会に貢献している労災病院検査室のスタイルにその良い例を見た気がします。 最後に緊張せずリラックスをして取材を行えるよう気を配ってくださった吹越技師長、また快く見学や撮影に協力してくださった検査室の皆さんにお礼を申し上げます。 |
||||
| 千臨技編集員 古賀 智彦(千葉社会保険病院) 市東 功(千葉労災病院) |
||||